122機械密封
作者:赤士盾 點擊量:


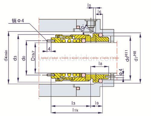
單端面/非平衡型/固定旋向
廣泛應用于離心泵,化工泵及各種弱腐蝕性工況
產品特點
結構緊湊,利用銷釘和凹凸搭子傳動,且安裝使用方便
材料組合
密封端面:石墨,碳化硅,碳化鎢,氧化鋁,
輔助密封:丁腈膠,氟橡膠,乙丙膠,PTFE
金屬構件:不銹鋼
運行參數
規格:25~80
壓力: ≤1.2Mpa
溫度:-20~180℃
線速度:≤15m/s
軸向竄動量:±0.5mm
本文源自http://m.hd22020-3.com/product/bengyong/131.html,轉載請注明出處。
(責任編輯:機械密封http://m.hd22020-3.com)
產品導航
聯系我們
浙江生產基地:浙江嘉善環城東路硅谷開發區(赤盾科技園)
嘉興銷售及技術支持中心:嘉興市環北西路經濟開發區
國內24小時銷售人員電話:15990310020
國內24小時技術支持:13917573091
電子郵件:1050760236@qq.com
jxchishidun@163.com
即時聊天工具:QQ: 1050760236
微信:15990310020
網址:m.hd22020-3.com











